LH-C24B 計算機組成原理和體系結構實驗系統
關鍵詞:
電工、電子、電氣、電子信息、計算機硬件和控制類教學實驗設備。
所屬分類:
LH-C24B計算機組成原理和體系結構實驗系統
咨詢熱線:
LH-C24B 計算機組成原理和體系結構實驗系統
LH-C24B 創新型計算機組成原理與體系結構設計系統
一、功能特點
1、可完成“數字邏輯”和“計算機組成原理”課程的邏輯電路實驗;
2、可完成“計算機組成原理”和“計算機系統結構”課程的CPU實驗;
3、配套《計算機組成原理實踐教程》由清華大學出版社出版發行。
二、技術特點
1、系統要求有基礎性實驗主板和FPGA萬能設計橋組成,可以實現虛實結合的實驗模式。
2、基于FPGA的實驗技術,可以結合教學內容設計實驗,便于和課堂教學相配套,改變課堂講一套、實驗做另外一套的狀況。既可以支持設計型、創新型實驗,也可用設計好的電路進行原理驗證型實驗,便于實施多層次的實驗教學。
3、學生所有的操作都是在計算機的虛擬界面上完成,甚至不需要實驗板具有實際的開關按鍵、指示燈數碼管等元件,從而極大地降低了實驗板的故障率和日常維護成本。不僅具有真實感的虛擬實驗板,并且獨創基于原理圖的虛擬實驗板,使學生將注意力集中在實驗原理上,無需將精力消耗在開關等元件與原理的對應上,提高實驗效率。
4、實驗過程可視化:在虛擬實驗板上操作,以信息流方式顯示CPU的指令執行過程,如圖1所示。
5、支持用戶自定義實驗內容、自定義虛擬實驗板、自定義CPU數據通路。。系統提供虛擬實驗板設計工具,用戶可為自己的實驗定制虛擬實驗界面。

圖1 可視化的虛擬實驗界面
6、模型機實驗時,可動態顯示實驗CPU的運行狀態。CPU內部狀態通過調試電路傳遞到用戶界面,以數據記錄和圖形化兩種形式顯示。高亮顯示當前有效的控制信號、變化的數值以及信息流動,方便學生調試設計,加深對指令執行過程的理解。也可用于教學演示。
7、模型機的設計調試支持微指令單步、微指令斷點、指令單步、斷點、全速等運行方式。可通過軟件界面輸入、查看和保存控存、主存內容,如圖2所示。

圖2 模型機的設計調試界面
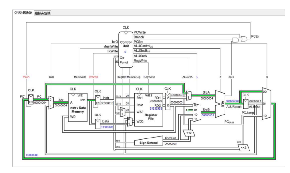
8、微程序控制或基本多周期MIPS等CISC或RSIC實驗CPU的設計調試界面如圖3所示;用戶可以擴充自己的實驗CPU,只需要通過特定的腳本描述CPU的特性即可由實驗調試系統可視化顯示。

三、系統主要組成
1、基礎實驗主板
主存儲器8K字節,用于存放用戶程序和數據;4片4位的算術邏輯單元74LS181功能發生器級聯而成運算器模塊;雙向通用移位寄存器,以實現邏輯移位功能;一個超前進位產生器74LS182;控制器采用微程序方案實現,控存字長為24位,可用最大容量為1024字節,且用電可擦寫的E2ROM存儲器芯片組成,支持動態微程序設計;24位微程序手動輸入并顯示模塊;手動16位數據輸入模塊;2位七段數碼管以顯示程序運行的最后結果;微地址發生器模塊和微地址顯示模塊、微地址控制模塊;數據總線顯示模塊,用于顯示數據總線上的動態數據;總線地址顯示模塊,用于顯示地址總線上的動態地址;指令寄存器和地址寄存器模塊;大規模 CPLD 和超強單片機作為整機的主控器件,可以在完全自動方式下完成全部部件實驗和整機模型機設計實驗。
2、FPGA萬能設計橋
1)承載片上調試器以及實驗電路,連接計算機和基礎實驗主板。
2)基于FPGA設計技術,由Altera Cyclone IV EP4CE6E、嵌入式STM32和時鐘電路、USB通信電路等組成。
3)和電腦的連接采用標準USB接口(非串轉USB)。
3、配套軟件
1)自設計的實驗軟件提供操作實驗電路的虛擬界面,具有自主知識產權。
2)學生所有的操作都是在計算機的虛擬界面上完成,甚至不需要實驗板具有實際的開關按鍵、指示燈數碼管等元件,從而極大地降低了實驗板的故障率和日常維護成本。不僅具有真實感的虛擬實驗平臺,并且獨創基于原理圖的虛擬實驗平臺,使學生將注意力集中在實驗原理上,無需將精力消耗在開關等元件與原理的對應上,提高實驗效率。
3)實驗過程可視化:在虛擬實驗平臺上操作,以信息流方式顯示CPU的指令執行過程。
4)支持用戶自定義實驗內容、自定義虛擬實驗平臺、自定義CPU數據通路。系統提供虛擬實驗平臺設計工具,用戶可為自己的實驗定制虛擬實驗界面。
5)模型機實驗時,以彩色流程方式可動態顯示實驗CPU的運行狀態。CPU內部狀態通過調試電路傳遞到用戶界面,以數據記錄和圖形化兩種形式顯示。高亮顯示當前有效的控制信號、變化的數值以及信息流動,方便學生調試設計,加深對指令執行過程的理解。也可用于教學演示。
6)模型機的設計調試支持微指令單步、微指令斷點、指令單步、斷點、全速等運行方式。可通過軟件界面輸入、查看和保存控存、主存內容。
四、可以實現的實驗項目
基礎實驗項目
1、8位算術邏輯運算實驗
2、帶進位控制8位算術邏輯運算實驗
3、16位算術邏輯運算實驗
4、移位運算器實驗
5、存儲器實驗
6、8位微控制器實驗
7、基本模型機的設計與實現
8、帶移位運算的模型機的設計與實現
9、復雜模型機的設計與實現
10、帶移位運算的模型機的設計與實現
11、復雜模型機的設計與實現
創新設計性實驗項目
12、密碼器設計
13、多功能運算電路設計
14、4位算術邏輯單元設計
15、16位微控制器實驗
16、32位數據通路設計
17、32位硬布線控制器設計
18、高速緩沖存儲器(Cache)設計
19、中斷控制器設計
20、基于CISC和RISC處理器構成的實驗計算機的設計與實現
21、用大規模芯片在模型機的基礎上設計一個8位輸入輸出并行接口芯片8212。
22、基于5級流水技術構成模型計算機的實驗
五、實驗箱配置表
|
序號 |
名稱 |
說明 |
數量 |
|
1 |
LH-C24B實驗主機箱 |
含詳細技術指標里全部軟硬件 |
1臺 |
|
2 |
杜邦8芯排線 |
40cm |
5根 |
|
3 |
杜邦5芯排線 |
40cm |
2根 |
|
4 |
杜邦4芯排線 |
40cm |
2根 |
|
5 |
交流電源線1根 |
長1.5米 |
1根 |
|
6 |
軟件光盤 |
聯機調試軟件和實驗例程 |
1套 |
|
7 |
實驗指導書 |
|
1套 |
產品留言
關注我們
啟東棱環教育儀器有限公司
全國服務熱線:400-860-6278
手機:13706286278
電話:0513-83213620
郵箱:914796108@qq.com
地址:江蘇省啟東市匯龍鎮紫薇中路478號